Colorado Springs, CO – December 8, 2025
Protocol Insight, Inc., the world’s leading provider of UFS and UniPro protocol analyzers and exercisers, introduces the Falcon G600R series of products, for JEDEC UFS 5.0, MIPI UniPro 3.0 and M-PHY 6.0. The Falcon 600 RAD (real-time analog display) series instruments are transformational products, combining the capabilities of an oscilloscope and a protocol exerciser analyzer into a single product. This dramatically improves the test capabilities available to developers and test engineers, allowing them to quickly identify complex protocol and signal issues with a single piece of test equipment.

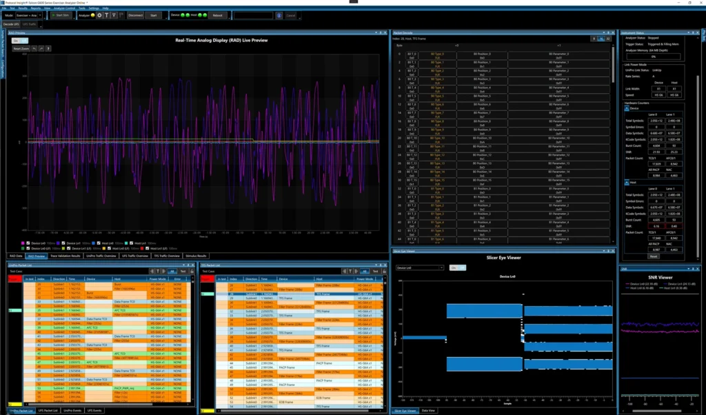
The Falcon instrument continuously samples the incoming data with a high performance ADC. Compensation engines open the PAM4 and PAM2 eyes, improving the native 1E-6 error rate of M-PHY 6.0 HS-G6 to 1E-15, without the use of FEC. These compensation engines provide real-time link impedance, raw signal data, eye quality and SNR information. The recovered data is transformed into packet formats, and the protocol packets are displayed for UFS, TFS and UniPro. For each channel, time correlated captured analog data is displayed with the packet data, simultaneously providing the user with both packet and analog data. The Falcon G600R series offers unique capabilities such as Smart Tune™ calibration, Eye Slicer and SNR view, Trace Validation™, Packet and Events view. The Falcon exerciser models emulate a host with complete link traffic generation, including error injection, stress testing and compliance and conformance verification. The Falcon G600R series have a complete suite of debug solutions, including HS-G6 Probes (FG6PSD2) and break-out board (FG6HSBO).

Smart Tune TM Calibration automatically tunes the analyzer to ensure error-free M-PHY symbol capture. The Eye Slicer and SNR windowpane views can be used to dynamically evaluate the MIPI® M-PHY link quality.
Trace ValidationTM is a patented Artificial intelligence (AI) tool that uses complex state machine logic to analyze traces algorithmically without user inference or discernment. Trace Validation can perform complex analysis of link traffic, for example UFS packet latency or UniPro Link Startup Sequences.
The traffic generation capability with error injection allows UFS host emulation and margin/stress testing and can be used to execute the JEDEC and UniPro CTS tests using Run Time Control.
Pricing, configuration, and availability: The Falcon G600R (protocol analyzer), Falcon G650R (protocol exerciser analyzer), FG6PSD2 HS-G6 Probe Bundle and FG6HSBO high-speed breakout board support UFS 5.0, UniPro 3.0 and M-PHY 6.0. These products are available now and the Falcon G600R series of instruments have been shipping to customers since July 2025. For additional information visit https://www.protocolinsight.com/ or contact sales@protocolinsight.com information and pricing.
About JEDEC – JEDEC is the global leader in the development of standards for the microelectronics industry. Thousands of volunteers representing nearly 300 member companies work together in over 100 JEDEC committees and task groups to meet the needs of every segment of the industry, manufacturers and consumers alike. The publications and standards generated by JEDEC committees are accepted throughout the world. All JEDEC standards are available for download from the JEDEC website. For more information visit www.jedec.org.
About the MIPI Alliance – MIPI Alliance (MIPI) develops interface specifications for mobile and mobile-influenced industries. There is at least one MIPI specification in every smartphone manufactured today. Founded in 2003, the organization has over 325 member companies worldwide and 14 active working groups delivering specifications within the mobile ecosystem. Members of the organization include handset manufacturers, device OEMs, software providers, semiconductor companies, application processor developers, IP tool providers, test and test equipment companies, as well as camera, tablet and laptop manufacturers. For more information, please visit www.mipi.org.
About UFSA – The Universal Flash Storage Association (UFSA) was founded in 2010 as an open trade association to promote widespread adoption and acceptance of the UFS standard. For more information about UFSA: http://www.ufsa.org/
Protocol Insight® is a registered trademark owned by Protocol Insight, Inc.
MIPI® and MIPI M-PHY® are registered trademarks owned by MIPI Alliance. MIPI UniProSM is a service mark of MIPI Alliance. UFSA and the UFS logo are trademarks of the Universal Flash Storage Association.
JEDEC and the JEDEC logo are registered trademarks of JEDEC Solid State Technology Association.
